• マイアカウント
  • ログイン
ジェイテクトエレクトロニクス (旧 光洋電子工業) オフィシャル通販サイト

ジェイテクトグループ オフィシャル通販サイト

  • ホーム
  • 支払・配送について
  • お問い合わせ
  • カートを見る
  • Jアイコンジェイテクトエレクトロニクス 公式サイト
  • ロータリエンコーダ 短納期 ジェイテクトエレクトロニクス 旧光洋電子工業
  • 出張サービス
  • デルタ電子社製 DC電源 アウトレット販売
【おすすめ ページ】基板型コントローラ JX-BASICロータリエンコーダ 各種ページカウンタDC電源近接センサPLC サンプルプログラム
  • ホーム
  •  > ロータリエンコーダ
  •  > ロータリエンコーダ周辺機器

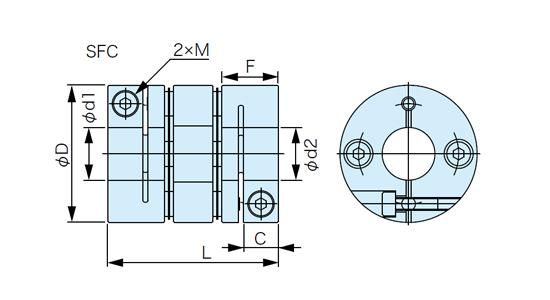
板バネ製カップリング / エンコーダ用

商品説明
1.カップリングの材質と特徴

 1) 使用条件に合わせて選択できるよう樹脂製と金属製、板バネ製3種類のカップリングを用意しています。
使用条件に合わせ最適のタイプを選定してください。
 2) 基本的には、「高分解能」には金属製、板バネ製、「低分解能」には樹脂製を採用されることをおすすめします。(高分解能の目安は3,600 P/R
を超える分解能です。)
 3) また、激しい加減速、正転逆転、間欠の発生する用途、起動トルクが大きいタイプのエンコーダを使用する時には、比較的「低分解能」であっても
金属製のカプリングを選び、及び超低回転速度の発生する用途、起動トルクが大きいタイプのエンコーダを使用する時には、板ばね製のカップリ
ングを選ぶほうが、より安心して使用いただけます。


2.カップリングのミスアライメント許容量(偏心誤差、偏角誤差、軸方向変位誤差)について

 1) カップリングの許容偏心誤差、許容偏角誤差、許容軸方向変位は相関関係にあり、どれか一方が増加すると他方が減少するため同時に考慮する
必要があります。
 2) ミスアライメントが大きいとシャフトに過大な荷重が加わり、破損したり極端に寿命が短くなる恐れがあります。
ミスアライメントが小さい程寿命が伸びますので、ミスアライメントはできるだけ小さい値でご使用ください。


3.カップリングの取りつけ手順

 1) 取付軸の表面、カップリング取付面のゴミ、油分をウエス等できれいに拭き取ってください。。
 2) 取付軸の芯出しを行い、カップリングを軸に通します。
・カップリングを両軸に入れた時、スムーズに動くことを確認してください。
・カップリングと軸とのねじ止めはしないでください。
 3)エンコーダを固定する。軸は、適正な値以上にカップリングに押し込まないでください。
 4)カップリングを固定する。軸に適正トルク値でねじ止めをしてください。


主な仕様
種別型番適合ロータリエンコーダ材質d1d2D
[Φmm]
L
[mm]
F
[mm]
C
[mm]
軸挿入深さ
[mm]
スクリュー
サイズ締付トルク[N・m]

板バネ製カップリング

ML16P-4-4TRD-MXアルミ合金(7075相当)441623736.8以上
7以下
M3

0.7

ML16P-6-6

TRD-SR/S/2E

アルミ合金(7075相当)661623736.8以上
7以下
M3

0.7

ML20P-8-8TRD-N/J/NAアルミ合金(7075相当)8820257.53.77.3以上
7.5以下
M3

0.7

ML25P-10-10TRD-GK/Kアルミ合金(7075相当)10102530948.8以上
9以下
M4

1.7

SFC-10-10TRD-GK/Kアルミ合金(7075相当)10102632.310.73.37以上
10以下
M2.5

1.1


※適合ロータリエンコーダ 廃型:TRD-MX、TRD-S、TRD-2E、TRD-Jシリーズ



型番
ML16P-4-4 ML16P-6-6 ML20P-8-8 ML25P-10-10 SFC-10-10


納期について
欠品している型番の納期をお調べいたします。
お気軽にお問い合わせください。(クリックいただくと入力フォームが開きます)

フリーダイヤル 0120-900-774
メール shop@electronics.jtekt.co.jp
受付時間 平日 9時〜17時
  • レビューを見る(0件)
  • レビューを投稿
  • オプションの値段詳細
  • 特定商取引法に基づく表記(返品等)
  • この商品を友達に教える
  • この商品について問い合わせる
  • 買い物を続ける
  • ツイート
板バネ製カップリング(ML16P-6-6)
板バネ製カップリング(ML20P-8-8)
板バネ製カップリング(ML25P-10-10)
型番

関連商品

  • 金属製カップリング / エンコーダ用 金属製カップリング / エンコーダ用
  • TRD-NA□-NWE アブソリュート Φ50 シャフトタイプ  CW 中継用コネクタ付きケーブル NPN出力  【翌営業日出荷/受注生産】 TRD-NA□-NWE アブソリュート Φ50 シャフトタイプ CW 中継用コネクタ付きケーブル NPN出力 【翌営業日出荷/受注生産】
  • ロータリエンコーダ用 中継ケーブル ロータリエンコーダ用 中継ケーブル
型番
板バネ製カップリング(ML16P-6-6)
板バネ製カップリング(ML20P-8-8)
板バネ製カップリング(ML25P-10-10)

製品検索

カテゴリーから探す

  • 工場見える化製品
  • 出張サービス
  • ロータリエンコーダ
  • PLC
  • プログラマブル表示器
  • HMI パネルコンピュータ
  • 近接センサ
  • 光電・レーザーセンサ
  • 各種センサー
  • LEDライト他
  • カウンタ/回転計ほか
  • DC電源
  • 温度・振動センサ
  • チョコ停ウォッチャー
  • ACサーボシステム
  • 電動アクチュエータ(モータレス仕様)
  • 汎用精密スイッチ
  • ステッピングサーボ / ステッピングモータ関係
  • インバータ
  • パワーメータ
  • スマートスクリュードライバー
  • 水位計
  • 稼働アップNavi
  • 小型炉
  • 工作機械用パーツ
  • ミストコレクター
  • 油水分離機
  • プログラマブルカム
  • アウトレットコーナー

企業名から探す

  • (株)ジェイテクト
  • (株)ジェイテクトグラインディングツール(旧社名 豊田バンモップス)
  • (株)ジェイテクトコーティング(旧社名 (株)CNK)
  • (株)ジェイテクトプレシジョンベアリング(旧 ダイベア(株))
  • BANNER ENGINEERING
  • デルタ電子(株)
  • CKD (株)
  • (株)バンガードシステムズ
  • 株式会社ピーアンドエフ
  • (株)ジェイテクトグラインディングシステム(旧社名 (株)豊幸)

コンテンツ

  • サイトマップ
  • 製品無料貸出について
  • 当店メール受信について
  • FAQ - よくある質問
  • 通販サイト未掲載製品をお探しのお客様へ
  • 当店ご利用はじめての方へ
  • 【提案動画】 振動センサで予兆管理・異常の兆しを録画
  • アプリケーション事例集
  • PLC(プログラマブルロジックコントローラ)とは
  • 工程改善(基板分割工程の省人化による製造経費削減)
  • 近接センサ とは
  • 耐環境コントローラ:汎用ミニECU
  • J-PAS ハイパワーモデル パワーアシストスーツ / 株式会社ジェイテクト
  • J-PAS LUMBUS パワーアシストスーツ / 株式会社ジェイテクト
  • (株)ジェイテクトフルードパワーシステム(旧社名:豊興工業(株)) エアフィルタ使用例
  • プライベートWeb展示会 アーカイブ
  • 小型SJ-ETHER KPP サンプルプログラム集
  • チョコ停ウォッチャーminiを使った生産工程のトラブル要因の特定方法
  • ミスミ コンベア事例
  • IOT スモールスタート
  • コンテンツ 各種
  • OnSinSensor Q&A
  • PLC 置き換え、ラダープログラム 読出 / 書込方法
  • 【廃型情報】プログラマブルコントローラ SA/SRシリーズ 受注終了のお知らせ
  • 【再告知】電子カウンタ KCX-B6 シリーズ 受注終了のお知らせ
  • アプリケーション事例 製品別
  • ロータリエンコーダとは / 使われている場所、事例、選び方 を動画で簡単に解説
  • ロータリエンコーダ 計算ツール
  • JXシリーズ プログラミング紹介
  • ACサーボシステムの動画紹介 知りたい情報満載! 
  • ロータリエンコーダの動画紹介 知っておきたい情報満載! 
  • 近接センサの動画紹介 知っておきたい情報満載! 
  • JX-BASICシリーズの動画紹介 知っておきたい情報満載!
  • SJ-ETHERの動画紹介 知っておきたい情報満載!
  • お支払い方法について
  • 配送方法・送料について
  • メルマガ登録・解除
  • RSS / ATOM
  •   PLC、ロータリエンコーダ、IoT製品各種紹介 動画de提案
      出張サービス PLC老朽更新、PLCバックアップなど 出張サービス 技術者が伺います!
    2025年10月
    日 月 火 水 木 金 土
    1 2 3 4
    5 6 7 8 9 10 11
    12 13 14 15 16 17 18
    19 20 21 22 23 24 25
    26 27 28 29 30 31
    2025年11月
    日 月 火 水 木 金 土
    1
    2 3 4 5 6 7 8
    9 10 11 12 13 14 15
    16 17 18 19 20 21 22
    23 24 25 26 27 28 29
    30
    営業時間:9:00〜17:00 (土・日、弊社休日(赤文字)は除く)
    在庫品の場合、平日16時、祝日14時までのご注文で即日出荷いたします。
      株式会社ジェイテクトエレクトロニクス コーポレートサイト (株)ジェイテクトエレクトロニクス

  • マイアカウント
  • ログイン
【株式会社ジェイテクトエレクトロニクス オフィシャル通販サイト トップページへ】

ご注文の流れ

ご注文の流れ - 株式会社ジェイテクトエレクトロニクス オフィシャル通販サイト
  • ホーム
  • 支払・配送について
  • 特定商取引法に基づく表記
  • 利用規約
  • プライバシーポリシー
  • お問い合わせ

© JTEKT ELECTRONICS CORPORATION